請雙擊輸入文字
.png)
鎮江市恒峰傳動機械有限公司
ZHENJIANG HENGFENG TRANSMISSION MACHINERY CO., LTD.
.png)
24小時產品咨詢電話:
137-7553-5512

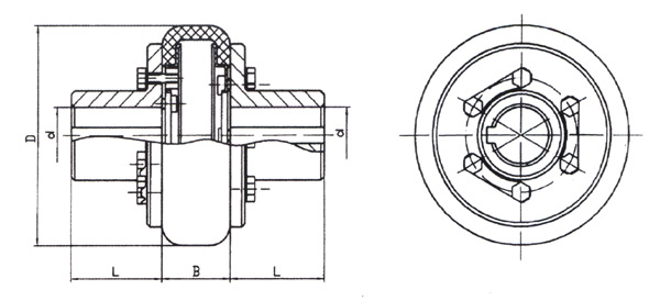
![]() |
![]() |
|
型號
|
公稱扭矩Tn(N.m)
|
瞬時最大轉距
|
軸孔直徑
|
軸孔長度
|
D0
|
B3
|
重量Kg
|
|
|
Y J1
|
Y
|
|||||||
|
d1 d2 dz
|
L
|
|||||||
|
UL1
|
10
|
31.5
|
11-18
|
22-30
|
25-42
|
80
|
20
|
0.7
|
|
UL2
|
25
|
80
|
14-22
|
27-38
|
32-52
|
100
|
26
|
1.2
|
|
UL3
|
63
|
180
|
18-25
|
30-44
|
42-62
|
120
|
32
|
1.8
|
|
UL4
|
100
|
315
|
20-30
|
38-60
|
52-82
|
140
|
38
|
3.0
|
|
UL5
|
160
|
500
|
24-35
|
38-60
|
52-82
|
160
|
45
|
4.6
|
|
UL6
|
250
|
710
|
28-40
|
44-84
|
62-112
|
180
|
50
|
7.1
|
|
UL7
|
315
|
900
|
32-48
|
60-84
|
82-112
|
200
|
56
|
10.9
|
|
UL8
|
400
|
1250
|
38-50
|
60-84
|
82-112
|
220
|
63
|
13.0
|
|
UL9
|
630
|
1800
|
42-60
|
84-107
|
112-142
|
250
|
71
|
20.0
|
|
UL10
|
800
|
2240
|
45-70
|
84-107
|
112-142
|
280
|
80
|
30.6
|
|
UL11
|
1000
|
2500
|
50-75
|
84-107
|
112-142
|
320
|
90
|
39
|
|
UL12
|
1600
|
4000
|
55-85
|
84-132
|
112-172
|
360
|
100
|
59
|
|
UL13
|
2500
|
6300
|
63-95
|
107-132
|
142-172
|
400
|
110
|
81
|
|
UL14
|
4000
|
10000
|
75-110
|
107-167
|
172-212
|
480
|
130
|
145
|
|
UL15
|
6300
|
14000
|
85-125
|
132-167
|
172-212
|
560
|
150
|
222
|
|
UL16
|
10000
|
20000
|
100-140
|
167-202
|
212-252
|
630
|
180
|
302
|
|
UL17
|
16000
|
31500
|
120-160
|
167-242
|
2212-302
|
750
|
210
|
561
|
|
UL18
|
25000
|
59000
|
140-180
|
202-242
|
252-302
|
900
|
250
|
818
|
聯系電話:13775535512 聯系人:王立新 聯系地址:鎮江市民營開發區潤興路10號
Copyright 2020-2022 鎮江市恒峰傳動機械有限公司 蘇ICP備20041336號-1